제품 검색
Search for:
제품 소개
차고자동문
하드웨어
자동대문
대문
IL AUTO DOOR
당신의 공간을 한 단계 높이는 하이엔드 게이트
AS 고객센터 : 1588-4981
Home
회사개요
기업개요
인증현황
오시는길
제품소개
차고자동문
하드웨어
자동대문
대문
시공사례
고객센터 & 자료실
무료견적문의
카다로그
사용자간편조치 및 메뉴얼
Home
회사개요
기업개요
인증현황
오시는길
제품소개
차고자동문
하드웨어
자동대문
대문
시공사례
고객센터 & 자료실
무료견적문의
카다로그
사용자간편조치 및 메뉴얼
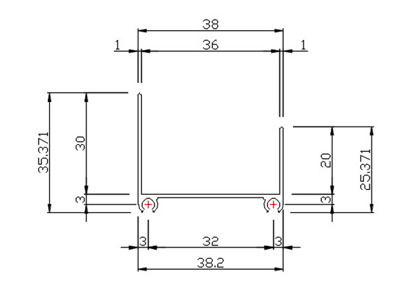
제품소개
하드웨어
하장바
설명
카테고리:
하드웨어
연관 상품
더 보기
채광창
더 보기
인장 스프링
더 보기
기타